| |
|
 |
|
|
 |
|
Á¦Ç°¾È³» ÀüÀÚ¼® |
 |
| Á¦Ç°¸í : ÀüÀÚ¼®È¦´Ù(¿øÇü) |
| |
|
|
¿ëµµ :
- ÀÚµ¿ ÇÁ·¹½ºÀÇ Àç·á À̼Û
-»þ¸µ Àç·áÀÇ ÈÚ ¹æÁö
-°¢Á¾ ÀÚµ¿È ±â±â¿¡¼ÀÇ °ø¾÷¿ë ·Îº¸Æ® ÇÚµå¿ë
-Á¤·ùȸ·Î ÇÊ¿ä
Ư¡ :
- Ư¼ö±Ô°Ý ÁÖ¹®Á¦ÀÛ.
-ÀÀ¿ëǰ ÁÖ¹®Á¦ÀÛ. |
±Ô°Ý :
| ¸ðµ¨ |
±Ô°Ý
Áö¸§(D)*³ôÀÌ(H) |
ÈÄÀ§Á߽ɺΠ|
ÃÖ´ëÈíÂø·Â
(kgf) |
Àü¾Ð
(V) |
Àü·ù
(A) |
ÀÚÁß
(kg) |
| JE-1A |
D10*30H |
M3 |
0.3 |
DC12V |
0.1A |
¾à 0.023kg |
| JE-1.5A |
D15*40H |
M4 |
1.5 |
DC24V |
0.12A |
¾à 0.049kg |
| JE-1.5D |
D15*25H |
M4 |
0.7 |
DC24V |
0.08A |
¾à 0.026kg |
| JE-2A |
D20*40H |
M4 |
2.8 |
DC24V |
0.12A |
¾à 0.072kg |
| JE-2D |
D20*25H |
M4 |
1.4 |
DC24V |
0.1A |
¾à 0.072kg |
| JE-2020 |
D20*20H |
M4 |
- |
DC24V |
0.35A |
¾à 0.04kg |
| JE-2030 |
D20*30H |
M6 |
- |
DC24V |
0.16A |
¾à 0.06kg |
| JE-2.5A |
D25*40H |
M6 |
10 |
DC24V |
0.13A |
¾à 0.129kg |
| JE-2.5D |
D25*25H |
M6 |
- |
DC24V |
0.14A |
¾à 0.106kg |
| JE-3A |
D30*40H |
M6 |
20 |
DC24V |
0.21A |
¾à 0.19kg |
| JE-3D |
D30*25H |
M6 |
10 |
DC24V |
0.10A |
¾à 0.124kg |
| JE-3030 |
D30*30H |
M6 |
- |
DC24V |
0.24A |
¾à 0.145kg |
| JE-3.5A |
D35*30H |
M6 |
- |
DC24V |
0.21A |
¾à 0.152kg |
| JE-4A |
D40*40H |
M6 |
30 |
DC24V |
0.24A |
¾à 0.319kg |
| JE-4D |
D40*25H |
M6 |
15 |
DC24V |
0.2A |
¾à 0.197kg |
| JE-5A |
D50*50H |
M8 |
60 |
DC24V |
0.58A |
¾à 0.622kg |
| DC90V |
0.18A |
| JE-5D |
D50*25H |
M8 |
30 |
DC24V |
0.26A |
¾à 0.324kg |
| JE-6A |
D60*60H |
M8 |
120 |
DC24V |
0.51A |
¾à 0.972kg |
| DC90V |
0.27A |
| JE-7A |
D70*60H |
M8 |
130 |
DC24V |
0.35A |
¾à 1.361kg |
| DC90V |
0.27A |
| JE-8A |
D80*60H |
M10 |
240 |
DC24V |
0.57A |
¾à 1.796kg |
| DC90V |
0.24A |
| JE-9A |
D90*60H |
M12 |
280 |
DC24V |
0.51A |
¾à 2.188kg |
| DC90V |
0.36A |
| JE-10A |
D100*60H |
M12 |
350 |
DC24V |
0.72A |
¾à 2.629kg |
| DC90V |
0.45A |
| JE-12A |
D120*60H |
M12 |
400 |
DC24V |
1.25A |
¾à 3.901kg |
| DC90V |
0.48A |
| JE-15A-60H |
D150*60H |
M16 |
450 |
DC24V |
- |
¾à 7.2kg |
| DC90V |
- |
| JE-15A-100H |
D150*100H |
M16 |
500 |
DC24V |
- |
¾à 8kg |
| DC90V |
- |
| JE-15A-150H |
D150*150H |
M16 |
- |
DC24V |
- |
- |
| DC90V |
- |
| JE-20A-60H |
D200*60H |
M18 |
540 |
DC24V |
- |
¾à 13.8kg |
| DC90V |
- |
| JE-20A-100H |
D200*100H |
M18 |
600 |
DC24V |
- |
¾à 14.5kg |
| DC90V |
- |
| JE-20A-150H |
D200*150H |
M18 |
- |
DC24V |
- |
|
| DC90V |
- |
| JE-25A-150H |
D250*150H |
M20 |
- |
DC24V |
|
|
| DC90V |
- |
| JE-30A-150H |
D300*150H |
M20 |
- |
DC24V |
- |
|
| DC90V |
- |
 |
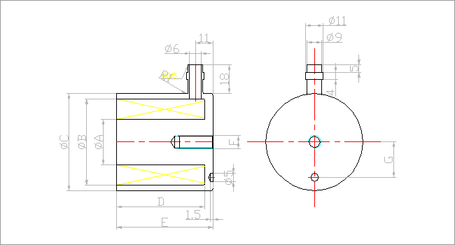
Ä¡¼ö:
| Model |
A |
B |
C |
D |
E |
F |
G |
| JE-2A |
6 |
18 |
20 |
35 |
40 |
M4*DP12 |
|
| JE-3A |
13 |
27 |
30 |
35 |
40 |
M6*DP15 |
9 |
| JE-4A |
18 |
36 |
40 |
35 |
40 |
M6*DP15 |
12 |
| JE-5A |
22 |
45 |
50 |
45 |
50 |
M8*DP20 |
17 |
|
|
|
|